Product Overview
According to GB18802.1, GB50057, and Q/THQBOOI-2013 standards, the front end of the SPD circuit must be connected in series with the overcurrent protection device required by the manufacturer. Due to the inability of current fuses and miniature circuit breakers to coordinate with SPDs, fires and equipment damage accidents caused by abnormal power supply or SPD degradation have seriously affected the normal production and operation!
The miniature circuit breakers currently used in conjunction with PDU masters have the following four points that cannot be matched:
1. Lightning current surge can easily damage and render lightning protection ineffective;
2.The reliability of lightning protection for equipment with high residual voltage caused by lightning impulse current is reduced
3. Power frequency continuous current does not trip, abnormal power supply SPD catches fire;
4. Lightning impulse misoperation leads to the failure of lightning protection.
Function and Scope of Application
The PDU dedicated external disconnector is connected in series on the PDU circuit, using an internal current sorting channel device to achieve power frequency small current quick break and high current lightning impulse without tripping. To achieve the function of fire protection for power frequency low current PDU and continuous protection for lightning impulse PDU, PDU products are limited to use for PDU circuit overcurrent protection or backup current protection. Do not use them in other occasions.
Product Features
Parameter controlled release mechanism, achieving selective disconnection through current flow;
The residual voltage of the impulse current can be matched with the fuse:
High energy contact, long service life;
Micro break has a small external volume and is convenient for power outage detection of PDUs.
It has a full range of specifications and can meet the requirements of T1, T2, and T3 level PDU matching
35mm card rail installation, meeting installation needs around the world.
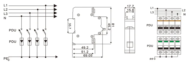
Wiring diagram and external dimensions
Rated current of circuit breaker: 63A, 80A, 100A, 125A;
The number of poles of a circuit breaker is divided into: single pole, two pole, three pole, and four pole;
This short-circuit device is installed using TH35 standard mounting rails.